
product center

宅男视频污污污回转支承(HS系列)——无齿式
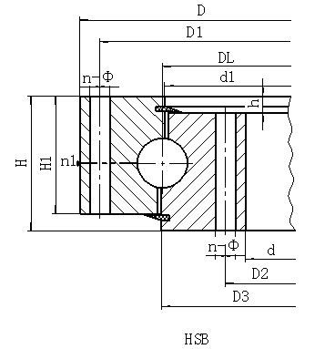
结构特点、性能、适用范围
宅男视频污污污回转支承由两个座圈组成,结构紧凑、重量轻、钢球与圆弧滚道四点接触,能同时承受轴向力、径向力和倾翻力矩。回转式输送机、焊接操作机、中小型起重机和挖掘机等工程机械均可选用。
序号
无齿式
外型尺寸
安装尺寸
结构尺寸
参考
D
d
H
D1
D2
n
mm
n1
D3
d1
H1
h
1
HSB.25.625
725
525
80
685
565
18
18
3
626
624
68
12
100
2
HSB.25.720
820
620
80
780
660
18
18
3
721
719
68
12
120
3
HSB.30.820
940
705
95
893
749
24
20
4
821
818
83
12
210
4
HSB.30.880
1000
760
95
956
800
24
20
4
881
878
83
12
230
5
HSB.30.1020
1170
875
95
1120
930
24
22
4
1021
1018
80
15
300
6
HSB.30.1220
1365
1075
120
1310
1130
36
24
6
1221
1218
105
15
450
7
HSB.35.1250
1400
1090
120
1350
1150
36
26
6
1251
1248
105
15
520
8
HSB.35.1435
1595
1278
120
1535
1335
36
26
6
1436
1433
105
15
610
9
HSB.35.1540
1720
1360
140
1660
1420
42
26
6
1541
1538
122
18
732
10
HSB.35.1700
1875
1525
140
1815
1585
42
29
6
1701
1698
122
18
844
11
HSB.40.1880
2100
1665
160
2030
1740
48
32
6
1881
1878
140
20
1400
12
HSB.40.2115
2325
1900
160
2245
1980
48
32
6
2116
2113
140
20
1600
13
HSB.40.2370
2600
2146
180
2520
2220
48
32
6
2371
2368
158
22
2100
14
HSB.40.2600
2835
2365
180
2750
2450
54
36
6
2601
2598
158
22
2400
15
HSB.50.2820
3085
2555
200
3000
2640
54
36
6
2822
2818
178
22
3400
16
HSB.50.3120
3400
2840
200
3310
2930
54
36
6
3122
3118
178
22
4000
17
HSB.50.3580
3920
3240
240
3820
3340
60
40
6
3582
3578
218
22
6700
18
HSB.50.4030
4370
3690
240
4270
3790
66
40
6
4032
4028
218
22
7700
19
HSB.50.4540
4860
4210
240
4760
4310
72
40
6
4542
4538
218
22
8760
DL
mm
重量
kg
mm
mm
mm
mm
mm
mm
mm
mm
mm
mm
注:
1、n1为润滑油孔数,均布:油杯M10×1 JB/T7940.1-TB7940.2.
2、安装孔n-Φ可改用螺孔;齿宽b可改为H-h。